スーパーカムロック F427

超コンパクト!!
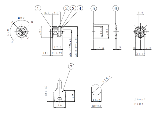
取付長さ11.0mm
特徴
超コンパクトのため小型機器などの省スペースに対応します。
用途
- 小型機器
- 情報端末機
- 分電盤
仕 様
| タイプ | RoHS対応 | 2ヶ所抜き | 取付長さ (mm) |
取付 ナットサイズ |
軸サイズ | ベロ付属 | |
| 超コンパクト リバーシブル+ディンプルキー |
別途対応可 | × | 11.0 | M18 | M7 | なし | |
| 本体材質 | 鍵違い数 | 共通キー | 同番 | 止め番 | ランダム | マスター システム |
コード チェンジ |
| C3604 | 210 | × | ○ | ○ | × | × | × |
※クロムめっきをRoHS対応商品としております。別途ご相談も承ります。
| NO. | 部品名 | 材質 | 処理 |
|---|---|---|---|
| 1 | 本体 | C3604 | クロムめっき |
| 2 | 角度規制カム | SPCC | 亜鉛めっきクロメート処理 |
| 3 | 歯付ワッシャー | S | 亜鉛めっきクロメート処理 |
| 4 | M7ナット | S | 亜鉛めっきクロメート処理 |
| 5 | Φ18ワッシャー | SPCC | 亜鉛めっきクロメート処理 |
| 6 | M18ナット | ZDC | ニッケルめっき |
| 7 | キー | C3713 | ニッケルめっき |






